Điểm gọi thủ công
Model No. FMS-CP2
Descriptions
- Manual call point signals shall not be delayed or subject to signal accumulation time
- The Manual call point signals to the fire alarm control panel, immediately displaying the exact location of the incident
- Call point is equipped with an LED status indicator clearly confirming that the device has been successfully pressed
- Wiring Method: Screw-type terminal block
- Material: High-density flame-retardant plastic
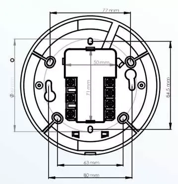
- Size: 139mm×49mm(±2mm)






